Search Help

For best results, keep your searches simple. For example, try using "door" instead of
"FJ40 door handles".

You can also use page or part numbers from the printed catalog to navigate directly to catalog pages and part listings.

Page 020B –

1958-2007 Land Cruiser Standard Drive and Gear Reduction Starters, and Battery Cables

1958-2007 Land Cruiser Standard Drive and Gear Reduction Starters, and Battery Cables

View navigation hint
Click the NUMBERS in the blue squares for part listings
Click on the BLUE HIGHLIGHTED NUMBERS in the line drawings to display a COMPLETE part listing of that part number.


Starter
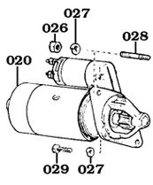
1958-6/82
1958-6/82 Land Cruiser Starter, FJ40, FJ45, FJ55, FJ60 Starter Assy Upper Mounting Stud Nut Upper Mounting Stud Lock Washer Upper Mounting Stud Lower Mounting Bolt Lower Mounting Lock Washer
6/82-2007
  6/82-2007 Land Cruiser Starter, FJ60/62, FJ/FZJ80, UZJ100 Starter Assy Upper Mounting Lock Washer Upper Mounting Nut Lower Mounting Lock Washer Lower Mounting Bolt Upper Mounting Stud
6/82-2007 Land Cruiser Starter, FJ60/62, FJ/FZJ80, UZJ100 Contact Assembly Contact Contact Contact

This website uses JavaScript and Cookies to process your orders. Specter Off-Road, Inc. (sor.com) does not use cookies to track, sell, trade or otherwise distribute your personal information. If you choose to disable these browser enhancements, your shopping cart will not function properly. If you prefer, give us a call, we are always happy to assist you with your order by phone during normal business hours at (818) 882-1238. Click here to read our policy including how we use cookies. By continuing to use this web site, you agree to our policy.
X