Page 019D –
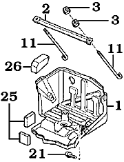
FJ80 and FZJ80 Battery Tray Components
1991-1998 FJ80 and FZJ80 Land Cruiser Battery Box/Tray and Hold Downs
Click the NUMBERS in the blue squares for part listings
Click on the BLUE HIGHLIGHTED NUMBERS in the line drawings to display a COMPLETE part listing of that part number.
|
1991-1998 FJ80 and FZJ80 Land Cruiser Battery Box
1/90-8/92 Right Hand Side
8/92-1/98 Left Hand Side
|
Right Hand Battery Tray Kit
Do you have an FZJ80 and would like a 2nd battery to support the extra power demands of off-road lights, winches and blenders? Our new kit allows you to install these factory battery tray parts on the right side of the radiator and have two batteries. Kit consist of all new battery tray, battery hold down, clamp bolts, and mounting hardware. Requires relocating windshield washer bottle to complete this install.| Buy | Quantity | Part Number | Description | Price | In Stock | Click for Zoom |
|---|---|---|---|---|---|---|
| Add to Cart | 019-01LK-KIT |
RIGHT SIDE FJ80 BATTERY TRAY KIT Fits 8/92-1/98 FZJ80 - Kit includes battery tray, battery hold down and clamp bolts, and mounting hardware. |
$132.00 |
|
||
|
RIGHT SIDE FJ80 BATTERY TRAY KIT Fits 8/92-1/98 FZJ80 - Kit includes battery tray, battery hold down and clamp bolts, and mounting hardware. |
||||||
Back to Top









